25918049, Тяга/стойка стабилизатора

25918049, Тяга/стойка стабилизатора
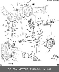
Изображения служат только для ознакомления,
см. техническую документацию
Номенклатурный номер
8046536185
Артикул
25918049
Бренд
4 шт. со склада г.Москва
3 120 руб.
1 шт. на сумму 3 120 руб.
Плати частями
от 780 руб. × 4 платежа
Стойка стабилизатора

Сроки доставки

Выберите регион, чтобы увидеть способы получения товара.